|
ARBED - Réseau téléphonique inter-usines |
![]() |

Schéma et Préfixes des lignes interusines de l'ARBED (Novembre 1970; Collection: industrie.lu)
All weidert ARBED-Telefonsbuch (oder vu soss Schmelzen) ass wëllkomm, well mir do dran vill Informatiounen iwwert d'Personal vun de Schmelzen fannen - collection@industrie.lu
| Historique - Geschichtlicher Überblick |
| 1952 | ![]() Nomenclature des abonnés aux réseaux téléphoniques des Usines ARBED et de la Cimenterie d'Esch (1952; Collection: Marcel Schlim) Telefonbuch 1952 mit den Werken AES - AEB - TERRE-ROUGE - MINES - CIMENTERIE und (ADU nur Telefonzentrale - Nummer) |
||
| 3.1961 |
Schéma des connexions téléphoniques inter-usines de l'ARBED intéressant les abonnés d'ARBED-Esch (22.3.1961; Collection: industrie.lu) |
||
| 19?? |
Schéma des connexions téléphoniques inter-usines de l'ARBED intéressant les abonnés d'ARBED-Esch-Schifflange (19??; Collection: industrie.lu) |
||
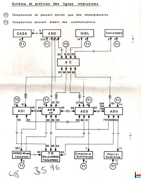
| 11.1970 | ![]() Schéma et préfixes des lignes interusines de l'ARBED (Novembre 1970; Collection: industrie.lu) |
||
| Avril 1974 |
Schéma et préfixes des lignes interusines de l'ARBED (Avril 1974 (Collection: Marcel Schlim) |
||
| 7.1981 |
Schéma et préfixes des lignes interusines de l'ARBED (Juillet 1981 (Collection: Marcel Schlim) |
||
| 1985 |
Schéma et préfixes des lignes interusines de l'ARBED - 1985 (Collection: Marcel Schlim) |
||
Laang Zäit waren di eenzel Apparaten op den ARBED - Divisiounen vu baussen just iwwert een Tableau mat Operateur ze erreechen. (Albert Wolter 7.2020) |
| Bibliographie | |||||||
| Titel - Titre | |||||||
| Albert Wolter | 7.2020 | ||||||
|
Annuaire téléphonique |
Juillet 1981 | ||||||
|
Usine Annuaire téléphonique |
Avril 1974 | ||||||
ARBED Annuaire du téléphone |
Novembre 1970 | 132 | |||||
ARBED S.A. des Ciments Luxembourgeois Annuaire téléphonique |
? | 71 | |||||
|
Annuaire téléphonique |
1961 | 46 | |||||
| Nomenclature des abonnés aux réseaux téléphoniques des Usines ARBED et de la Cimenterie d'Esch |
1952 | ARBED Telefonbuch 1952 mit den Werken AES - AEB - TERRE-ROUGE - MINES - CIMENTERIE und (ADU nur Telefonzentrale - Nummer) | |||||
| Liens / Links |
| ARBED |
| Schmelzen zu Lëtzebuerg - Usines au Luxembourg - Eisenhütten in Luxemburg |
|
This is not the official page of this company / person. Any information or picture completing these pages is welcome! For more information just send us an e-mail. Ceci n'est pas la page officielle de cette firme / personne. Toute information ou photo pouvant compléter ces pages est la bienvenue! Pour des informations supplémentaires, veuillez nous envoyer simplement un e-mail. Dies ist nicht die offizielle Seite dieser Firma / Person. Jede Information oder jedes Foto, welche(s) diese Seiten vervollständigen, ist herzlich willkommen! Für mehr Informationen, senden Sie uns einfach eine E-mail. |
|
Created by / Créé par / Copyright: jmo |